Focused on the innovative development of film capacitors for 50 years,

Product Class
Contact Us
Snubber Capacitors Especially Used For IGBT
Phone: 0049 - 15736573893
    • Snubber Capacitors Especially Used For IGBT
    • Snubber Capacitors Especially Used For IGBT
    • Snubber Capacitors Especially Used For IGBT
    • Snubber Capacitors Especially Used For IGBT
Product Detail

Snubber Capacitors Used for IGBT(Solder)


Look at PDF:CXS 焊片IGBT用突波缓冲吸收电容器.pdf


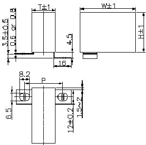
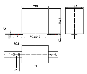
●Outline Drawing

图片6.png 图片7.png

L×F×N×S=14.3×16×9.2×6.2or                     L×F×N×S=14.3×15×9.2×6.2or

L×F×N×S=15×16.3×10.2×6.2                       L×F×N×S=15×15×10.4×6.2

       Style1                                                                Style2

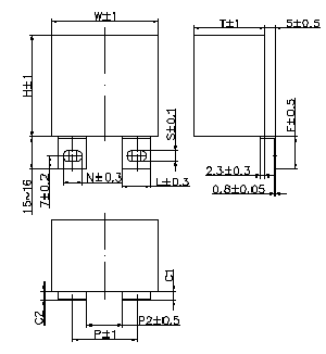
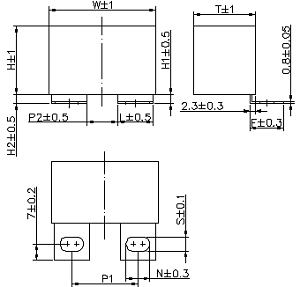
图片8.png 图片9.png

L×F×N×S=12×19.6×14.1×6.1                                    Style4

              Style3


图片10.png


Applications

Used in applications of snubber protection of various. 


Description of Products

Reference standard:  BG/T 17702  idt IEC 61071,

GB/T 2693 idt IEC 60384-1.

Double sided metallized polar plate, polypropylene dielectric non-inductive winding.

Low ESR and high dv/dt.

Withstanding very high peak to peak value of current Ipp and


Technology Features

To adopt double sided metallized film electrode to enhance dv/dt property.

To offer module devices with in-built quick recovery transistor.


● Specifications

Reference Standard

GB/T 17702 (IEC 61071)

Climatic Category

40/85/56

Temperature Range(case)

40+85℃

Rated Voltage Un

630Vdc3000Vdc

Capacitance Range

0.0479μF

Capacitance Tolerance ΔC/C

J±5%   K±10%

Voltage Proof

1.6Un ( 10s )

Dissipation Factor

5×10-41kHz,20℃)

Insulation Resistance

IR≥100000MΩ,CN≤0.33μF

20℃,100Vdc,1min

IR≥30000S,CN0.33μF

Expected Lifetime

≥100000h @ UN  θhs=70℃


 Part  number  system

●The 16 digits part number is formed as follow:

1

2

3

4

5

6

7

8

9

10

11

12

13

14

15

16

C

X

S














  Digit 1 to 3                                 Series code                         

                                                     CXS                                     

 

  Digit 4 to 6                                   Rated voltage                  

                                                      163=101×63V=630V 

              

   Digit 7                                          AC/DC

                                                       A=AC   D=DC                                

 

    Digit 8 to 10                                Rated capacitance value

                                                       310=103×10pF=0.01μF                     

                              

     Digit 11                                       Capacitance tolerance

                                                        J=±5%,K=±10%                       

 

     Digit 12                                        Main code

 

     Digit 13 to 16                               Internal use


● Internal use 

Digit 13

  Rated voltage

    Style of solder slice

  

Width of case

                    Distance of hole for fixing

              Distance of solder slice

W

P

Code

P1

630Vdc         700Vdc       850Vdc      1000Vdc    

(Style 1)      or             (Style 2)

37/42

17~25

1

7

22~30

2

12

57

30~38

3

20

35~43

4

25

(Style 3)

37

52~62

5

33

42

57~67

6

38

57

70~80

7

51

1200Vdc         1600Vdc       1700Vdc      2000Vdc   2500Vdc  3000Vdc   

(Style 1)      or              (Style 2)

37/42

16~24

A

6

21~29

B

11

57

31~39

Inquiry Now
Message*

Name*
Phone
Email*
 
    
    
>>Drag the slider to verify<<
  
  • Technology Innovation

    The company has a professional research institute and a team with high-level researching & developing experience

  • Company Qualification

    The company has many national level qualifications

  • Talent Introduction

    Inspire people with enormous career , attractive people with favorable treatment, condense people with excellent culture , create conditions to achieve success

  • Contact Us

    Provide customers with high quality, efficient, safety and environmentally friendly services and products

Contact Us

  • Add: No.58 Xinzhu 2nd Road, New North District, Changzhou City, Jiangsu Province, China
  • Phone: 0049 - 15736573893
  • Fax: +86-519-85760588
  • Hot-Line: 0049 - 15736573893 / 0086-519-85760515
  • Zip: 213031
  • E-mail: evayan@cje-capacitor.com / yjp@cje-capacitor.com
made in china

Mobile

WeChat
CopyRight © 2018-2026 CJE Capacitor (Changjie Technology Co.,Ltd) All rights reserved.  Sitemap    Designed by Zhonghuan Internet